Вентиль водяной регулирующий трехходовой Polar Bear 3DS 32-15 М1 BSP 11/4" Kvs 15 (темпер. среды -30..+130С)
Трехходовой вентиль 3DS предназначен для регулирования расхода горячей и холодной воды в теплообменниках систем вентиляции, кондиционирования и отопления. Вентиль 3DS выпускается с KVS = 15 с присоединительным диаметром 1 1/4". В системах местного теплоснабжения с небольшим перепадом давления между подающей и обратной водой вентиль может быть использован в качестве смесительного (см. рис. 1) или разделительного (см. рис. 2) устройства. В системах централизованного теплоснабжения вентиль рекомендуется устанавливать в качестве разделительного (см. рис. 2) на линии обратной воды. Регулирование у вентиля осуществляется поворотом штока. В зависимости от типа используемого привода VAF.../VMF.../ADT…/ADM… вентиль может работать в режиме трехпозиционного или пропорционального (сигнал 0 (2)–10 В) регулирования.
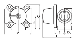
Технические характеристики вентиля водяного регулирующего трехходового 3DS 32-15


Технические характеристики
| Модель | KVS* | BSP | Размеры, мм | Тип привода | Вес, кг |
||||||||
| А | B | C | D | E | F | 3-позиц. | сигнал 0 (2)–10 В | ||||||
| 3DS 32-15 | 15,0 | 1 1/4" | 84 | 42 | 77 | 25 | 32 | 91 | ADT 04 | VAF | ADM 04 | VMF | 0,9 |
* KVS вентиля указан в м3/час при перепаде давления 100 кПа.
Характеристики
| Макс. рабочее давление | 1 МПа (10 бар) | |
| Температура рабочей среды | от -30°С до 130°С | |
| Рабочий угол | 90° | |
| Рабочая среда | Горячая и холодная вода, раствор гликоля в воде макс. 50% | |
| Материал: -корпус -шток -шпиндель -крышка -уплотнение |
латунь латунь латунь алюминий EPDM |
|




